In Tunerstudio under Outport port settings there is a list on the left of stuff I can configure. My issue is that the Outport port setting choices do not correspond with the spare pins on my Megasquirt that I can use to drive the tach.
Here's a screenshot of Tunerstudio:

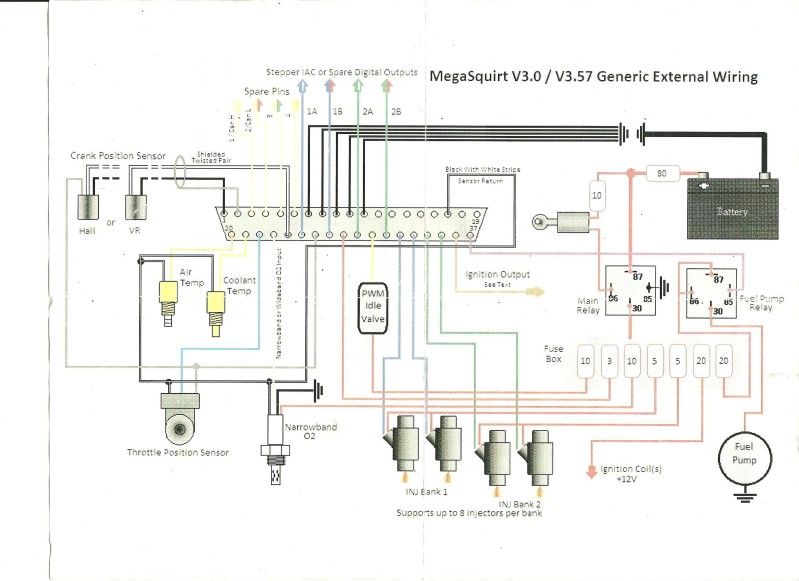
And here's a scan of my wiring diagram. I am using a 4 wire stepper so I cannot use those IAC or Digital Outputs because they are being used. Pins 3-4-5-6 on the wiring diagram is just say "spare ports" or 1/CanH or 2/CanL. What one port in tunerstudio, and one wire on the diagram correspond to each other? And how do I configure it to drive the tach?
