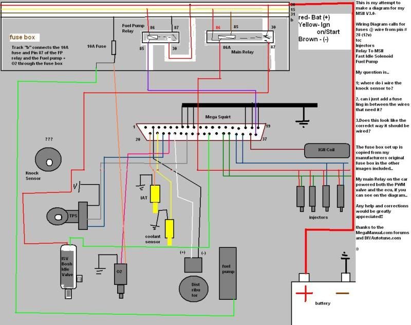
I included the pictures of the corresponding pages of the manual from the stock wiring as well for reference..
Thanks for looking!






Just a couple of comments - you're showing the sensors going to ground. They should all be wired back to the same ground point at the MS unit, as per the MS diagram. Also, consider a wideband o2 sensor which needs an additional controller. Tuning without one will be much more difficult.evildorito wrote:Anyone? :-/